ИПТ-20/5000 А 01; ИПТ-20/250 А 01
--
			Изоляторы
--Арматура светосигнальнаяВыключатель автоматическийВыключатель конечный (путевой)Выключатель пакетныйГидротолкательЗвонкиИзолентаИзоляторыИнструментКабель, провод, тараКатушки к контакторам, пускателям и магнитамКлеммы, колодкиКнопка, пост кнопочныйКомандоаппарат, контроллерКонтакторКонтакты для контакторов и пускателейЛампаЛифтовое оборудованиеМетизы, крепежПереключателиПрочееПускатель электромагнитныйРазрядникРазъем кабельныйРеле и датчикиРубильники, разъединителиРудничноеСветильникСтроительные услугиСчетчик электроэнергииТеплые полыТокоприемникиТормоз колодочныйТрансформатор токаТрансформатор, стабилизаторТрансформаторная подстанцияТроллеедержательТруба гофрированнаяТумблерУдлинитель, тройник, вилкаУстановочныеШильдикиЩетки для электродвигателейЩеткодержатели к электродвигателямЩитовая продукцияАксессуарыПульты управленияДополнительное оборудованиеУстройства плавного пускаОпцииПреобразователи частотыЭлектродвигателиЭлектромагнитЭлектронагревательЭлементы питанияЯщик с рубильникомМеталлообработкаПеремотка двигателей
Изоляторы проходные для трансформаторных вводов
-ИПТ-20/5000 А 01; ИПТ-20/250 А 01Изоляторы для силовых трансформаторовИзоляторы и покрышки для конденсаторовИзоляторы для электролизераТрубки для предохранителейИзоляторы для радио и связиИзоляторы для разных установокКолодки для печей серии ПЭТИзоляторы для турбогенераторовИзоляторы для комплектных распределительных устройствИзоляторы для пусковых сопротивлений электровозовИзоляторы для электротранспортаИзоляторы для электрофильтровИзоляторы для концевых кабельных муфтИзоляторы проходные подстанционныеИзоляторы и покрышки для конденсаторовИзоляторы для выключателей и разных установокПокрышки для выключателей воздушныхПокрышки для высоковольтных вводов
										7 282 руб./шт
									
																																		Много
													
								Нашли дешевле?
							
											
									-
									
									+
								
														
								
									В корзинуВ корзине								
							
						
						Цена действительна только для интернет-магазина и может отличаться от цен в розничных магазинах
					
				
										Описание									
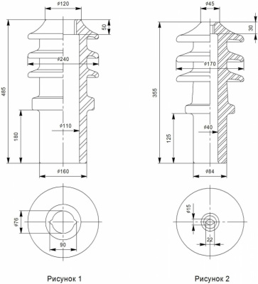
									Артикул: ИПТ-20/5000 А 01; ИПТ-20/250 А 01
Изоляторы проходные для трансформаторных вводов ТУ 3493-001-00212759-00
	
		
													
										
										
										
									Изоляторы проходные для трансформаторных вводов ТУ 3493-001-00212759-00
Материал изоляционной части —материал керамический электротехнический подгруппы 110.1 ГОСТ 20419-83.
| Тип изолятора | Заводской номер фарфора | Номинальное напряжение, кВ | Номинальный ток, А | Минимальное разрушающее усилие на изгиб, кН | Длина пути утечки, не менее, см | Масса, кг | Рисунок, номер | 
| ИПТ-20/5000 А 01 | 3029 | 20 | 5000 | 20 | 40 | 18,5 | 1 | 
| ИПТ-20/250 А 01 | 3113 | 20 | 250 | - | 40 | 5,9 | 2 | 
										Отзывы										
									
																			
																	
										Задать вопрос									
									
											Вы можете задать любой интересующий вас вопрос по товару или работе магазина.
Наши квалифицированные специалисты обязательно вам помогут.
										Наши квалифицированные специалисты обязательно вам помогут.
Задать вопрос
										Дополнительно									
											Дополнительная вкладка, для размещения информации о магазине, доставке или любого другого важного контента. Поможет вам ответить на интересующие покупателя вопросы и развеять его сомнения в покупке. Используйте её по своему усмотрению.
Вы можете убрать её или вернуть обратно, изменив одну галочку в настройках компонента. Очень удобно.
- Рекомендуем
- 
					
													 Арматура светосигнальная Арматура светосигнальная
- 
					
													 Выключатель автоматический Выключатель автоматический- Выключатель автоматический серии Schneider
- Выключатель автоматический серии А
- Выключатель автоматический серии АВ2М
- Выключатель автоматический серии АЕ
- Выключатель автоматический серии АП
- 
																		Выключатель автоматический серии ВА
																			- Выключатель автоматический ВА 47-29 2 полюса
- Выключатель автоматический ВА 47-29 3 полюса
- Выключатель автоматический ВА 47-29 ПЭТ
- Выключатель автоматический ВА 04-36
- Выключатель автоматический ВА 21-29
- Выключатель автоматический ВА 50-41
- Выключатель автоматический ВА 50-43
- Выключатель автоматический ВА 51-25, ВА 51Г-25
- Выключатель автоматический ВА 51-35, ВА 52-35
- Выключатель автоматический ВА 51-39, ВА 52-39
- Выключатель автоматический ВА 52-37, ВА 52-38
- Выключатель автоматический ВА 57-31
- Выключатель автоматический ВА 57-35, ВА 57ф-35
- Выключатель автоматический ВА 57-39
 
- Выключатель автоматический серии ДЭК
- Выключатель автоматический серии Э (электрон)
- Выключатель автоматический серии АВМ
 
- 
					
													 Выключатель конечный (путевой) Выключатель конечный (путевой)
- 
					
													 Выключатель пакетный Выключатель пакетный
- 
					
													 Гидротолкатель Гидротолкатель
- 
					
													 Звонки Звонки
- 
					
													 Изолента Изолента
- 
					
													 Изоляторы Изоляторы- Изоляторы армированные фарфоровые
- 
																		Изоляторы неармированные фарфоровые
																			- Покрышки для высоковольтных вводов
- Покрышки для выключателей воздушных
- Изоляторы для выключателей и разных установок
- Изоляторы и покрышки для конденсаторов
- Изоляторы проходные для трансформаторных вводов
- Изоляторы проходные подстанционные
- Изоляторы для концевых кабельных муфт
- Изоляторы для силовых трансформаторов
- Изоляторы для электрофильтров
- Изоляторы для электротранспорта
- Изоляторы для пусковых сопротивлений электровозов
- Изоляторы для комплектных распределительных устройств
- Изоляторы для турбогенераторов
- Колодки для печей серии ПЭТ
- Изоляторы для разных установок
- Изоляторы для радио и связи
- Трубки для предохранителей
- Изоляторы для электролизера
- Изоляторы и покрышки для конденсаторов
 
- Изоляторы керамические электротехнические термостойкие
- Низковольтные изоляторы
 
- 
					
													 Инструмент Инструмент
- 
					
													 Кабель, провод, тара Кабель, провод, тара- Витая пара (Кабель компьютерный)
- Кабель бронированный АВБбШв, ВБбШв, КВБбШв
- Кабель водопогружной
- Кабель гибкий экранированный КГВЭВ, КГВЭВнг
- Кабель городской телефонной связи ТППэп
- Кабель контрольный КВВГ, КВВГнг, КВВБГ,КВВГзнг
- Кабель радиочастотный РК
- Кабель сварочный КОГ1, ПУН
- Кабель сигнально-блокировочный СБВГ
- Кабель силовой ААШв
- Кабель силовой гибкий, негорючий КПГСН
- Кабель силовой с пластмассовой изоляцией ВВГ, АВВГ
- Кабель силовой с поясной изоляцией NYM
- Кабель силовой с резиновой изоляцией ВРГ
- Кабель силовой с резиновой изоляцией КГ, Кгхл
- Кабель силовой шланговый, гибкий РПШ
- Кабель управления КУПЭВ
- Провод автомобильный
- Провод АППВ
- Провод взрывной
- Провод МКЭШ
- Провод ПАЛ, АС
- Провод прогревочный
- Провод с поливинилхлоридной изоляцией АПВ,ПВ, ППВ
- Провод самонесущий изолированный СИП
- Провод телефонный, витая пара ТРП, ТРВ, П-274м
- Провод установочный плоский ПУНП, ПУГНП
- Провод шланговый ПВС, ПРС, ШВВП, ППВ
- Тара
- Эмальпровод ПЭТВ-1, ПЭТВ-2, ПСДКТ, ПЭТ-155
 
- 
					
													 Катушки к контакторам, пускателям и магнитам Катушки к контакторам, пускателям и магнитам
- 
					
													 Клеммы, колодки Клеммы, колодки
- 
					
													 Кнопка, пост кнопочный Кнопка, пост кнопочный
- 
					
													 Командоаппарат, контроллер Командоаппарат, контроллер
- 
					
													Контактор 
- 
					
													 Контакты для контакторов и пускателей Контакты для контакторов и пускателей
- 
					
													 Лампа Лампа- Датчик движения, индикатор
- Лампа галогенная HL, HS, HR, JSDR, JCD
- Лампа кварцево-галогенная
- Лампа люминесцентная ЛБ, ЛД, TLD
- Лампа металлогалогенная
- Лампа накаливания Б 220, SA, РН
- Лампа накаливания декоративная SB, SC, SR
- Лампа накаливания местного освещения МО
- Лампа ртутная ДРЛ
- Лампа энергосберегающая Ecola
- Лампа энергосберегающая KK, CE
- Стартер, дроссель, трансформ.
 
- 
					
													 Лифтовое оборудование Лифтовое оборудование
- 
					
													 Метизы, крепеж Метизы, крепеж
- 
					
													 Переключатели Переключатели
- Прочее
- 
					
													 Пускатель электромагнитный Пускатель электромагнитный
- 
					
													 Разрядник Разрядник
- 
					
													 Разъем кабельный Разъем кабельный
- 
					
													 Реле и датчики Реле и датчики
- 
					
													 Рубильники, разъединители Рубильники, разъединители
- 
					
													 Рудничное Рудничное
- 
					
													 Светильник Светильник- Люстры, бра, торшеры, настольные лампы
- Ночник, часы
- Плафон, патрон-основание
- Прожектор
- Светильник Viromax
- Светильник VITO. LUNA. LINE
- Светильник акцентного освещения
- Светильник ВЗГ
- Светильник встраиваемый потолочный
- Светильник люминесцентный ЛПО,ЛСП
- Светильник мебельный
- Светильник накладной потолочный
- Светильник НББ, НСП, ПСХ, НПП
- Светильник наружного освещения РКУ (консольный)
- Фонарь
 
- Строительные услуги
- 
					
													 Счетчик электроэнергии Счетчик электроэнергии
- 
					
													 Теплые полы Теплые полы
- 
					
													 Токоприемники Токоприемники
- 
					
													 Тормоз колодочный Тормоз колодочный
- 
					
													 Трансформатор тока Трансформатор тока- Датчик тока ДТ-0,66
- Трансформатор тока Т 0,66
- Трансформатор тока ТЛ-10-I У3
- Трансформатор тока ТЛК-10
- Трансформатор тока ТЛМ-10
- Трансформатор тока ТЛШ-10 У3
- Трансформатор тока ТЛШ-10-1 У3
- Трансформатор тока ТЛШ-10-5 У3
- Трансформатор тока ТНШ 0,66 У3
- Трансформатор тока ТНШЛ 0,66 У2
- Трансформатор тока ТОЛ-10 УХЛ2.1
- Трансформатор тока ТОЛ-10-I-1 (-2) У2
- Трансформатор тока ТОЛ-10-I-3 (-4) У2
- Трансформатор тока ТОЛ-10-I-5 (-6) У2
- Трансформатор тока ТОЛ-10-I-7 (-8) У2, 3-х обмот.
- Трансформатор тока ТОЛ-35-III-II УХЛ1
- Трансформатор тока ТОЛК-10 05.1
- Трансформатор тока ТОЛК-6 05.1
- Трансформатор тока ТОП 0,66 У3
- Трансформатор тока ТПЛ-10-М У2
- Трансформатор тока ТПЛ-20 УХЛ2
- Трансформатор тока ТПЛ-35 УХЛ2
- Трансформатор тока ТПЛК-10 У3
- Трансформатор тока ТПОЛ-10 У3
- Трансформатор тока ТПОЛ-10-1 У3
- Трансформатор тока ТПОЛ-10-3 У3
- Трансформатор тока ТФЗМ
- Трансформатор тока ТШЛ 0,66 У3
- Трансформатор тока ТШЛ-10 УТ3
- Трансформатор тока ТШЛ-20-I УХЛ2
- Трансформатор тока ТШЛП-10 УТ3
- Трансформатор тока ТШП 0,66 У3
- Трансформатор тока нулевой последовательности
- Трансформатор ТСЗИ
- Трансформатор ТСМ
 
- 
					
													 Трансформатор, стабилизатор Трансформатор, стабилизатор- Автотрансформатор АОСН
- Лабораторный трансформатор
- Силовой трансформатор
- 
																			 Стабилизатор Стабилизатор
- Трансформатор напряжения
- 
																		Трансформатор ОСМ
																			- Трансформатор понижающий ОСМ1 63 Вт
- Трансформатор понижающий ОСМ1 100 Вт
- Трансформатор понижающий ОСМ1 160 Вт
- Трансформатор понижающий ОСМ1 250 Вт
- Трансформатор понижающий ОСМ1 400 Вт
- Трансформатор понижающий ОСМ1 630 Вт
- Трансформатор понижающий ОСМ1 1000 Вт
- Трансформатор понижающий ОСМ1 1600 Вт
- Трансформатор понижающий ОСМ1 2500 Вт
- Трансформатор понижающий ОСМ1 4000 Вт
- Трансформатор понижающий ОСМ1 5000 Вт
 
- Трансформатор ОСО
 
- 
					
													 Трансформаторная подстанция Трансформаторная подстанция
- 
					
													 Троллеедержатель Троллеедержатель
- 
					
													 Труба гофрированная Труба гофрированная
- 
					
													 Тумблер Тумблер
- Удлинитель, тройник, вилка
- Установочные
- Шильдики
- Щетки для электродвигателей
- Щеткодержатели к электродвигателям
- 
					
													 Щитовая продукция Щитовая продукция- Вводно-распределительное устройство ВРУ1
- Пункт распределительный ПР11
- Пункт распределительный ПР8000
- Шильдики, наклейки
- Шины и комплектующие к щитам
- Шкаф распределительный ШР11, ШРЭ
- Шкаф распределительный ШРС-1
- Щит аварийного переключения на резерв
- Щит металлический (корпус)
- Ящик с понижающим трансформатором
- Ящик управления
 
- 
					
													 Электродвигатели Электродвигатели
- 
					
													 Преобразователи частоты Преобразователи частоты
- 
					
													 Устройства плавного пуска Устройства плавного пуска
- 
					
													 Дополнительное оборудование Дополнительное оборудование
- 
					
													 Пульты управления Пульты управления
- 
					
													 Аксессуары Аксессуары
- 
					
													 Опции Опции
- 
					
													 Электромагнит Электромагнит
- Электронагреватель
- Элементы питания
- 
					
													 Ящик с рубильником Ящик с рубильником
- 
					
													 Металлообработка Металлообработка
- Перемотка двигателей
Будьте всегда в курсе!
				Узнавайте о скидках и акциях первым
			Новости
			Все новости
			
		24 июня 2020
														Выкуп холодильного оборудования
						Раздел не найден.

 
											
										







































































