Будьте всегда в курсе!
Узнавайте о скидках и акциях первым
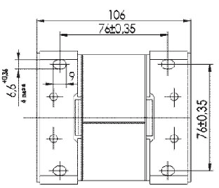
| Параметры | Исполнение | ||
|---|---|---|---|
| ИЖМВ 684432.003 | ИЖМВ 684432.003-01 | ИЖМВ 684432.003-08 | |
| Режим работы | ПВ 40% | ПВ 40% | ПВ 40% |
| Номинальное тяговое усилие, Н(кгс) | 60(6) | 60(6) | 60(6) |
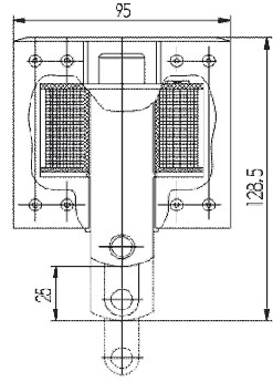
| Номинальный ход якоря, мм | 25 | 25 | 25 |
| Число включений в час | 120 | 120 | 120 |
| Частота тока, Гц | 50 | 50 | 50 |
| Напряжение, В | 380 | 220 | 127 |
| Класс нагревостойкости по ГОСТ 8865-79 |
B | B | B |
| Установившееся превышение температуры катушек, 0C, не более |
110 | 110 | 110 |
| Номинальный ток, А | 0,56 | 0,97 | 1,70 |
| Механическая износостойкость электромагнита, циклов, не менее |
0,63х106 | 0,63х106 | 0,63х106 |
![]() |
![]() |
|
|---|---|---|
![]() |
![]() |
Арматура светосигнальная
Выключатель автоматический
Выключатель автоматический серии Schneider
Выключатель автоматический серии А
Выключатель автоматический серии АВ2М
Выключатель автоматический серии АЕ
Выключатель автоматический серии АП
Выключатель автоматический серии ВА
Выключатель автоматический серии ДЭК
Выключатель автоматический серии Э (электрон)
Выключатель автоматический серии АВМ
Выключатель конечный (путевой)
Выключатель пакетный
Гидротолкатель
Звонки
Изолента
Изоляторы
Инструмент
Кабель, провод, тара
Витая пара (Кабель компьютерный)
Кабель бронированный АВБбШв, ВБбШв, КВБбШв
Кабель водопогружной
Кабель гибкий экранированный КГВЭВ, КГВЭВнг
Кабель городской телефонной связи ТППэп
Кабель контрольный КВВГ, КВВГнг, КВВБГ,КВВГзнг
Кабель радиочастотный РК
Кабель сварочный КОГ1, ПУН
Кабель сигнально-блокировочный СБВГ
Кабель силовой ААШв
Кабель силовой гибкий, негорючий КПГСН
Кабель силовой с пластмассовой изоляцией ВВГ, АВВГ
Кабель силовой с поясной изоляцией NYM
Кабель силовой с резиновой изоляцией ВРГ
Кабель силовой с резиновой изоляцией КГ, Кгхл
Кабель силовой шланговый, гибкий РПШ
Кабель управления КУПЭВ
Провод автомобильный
Провод АППВ
Провод взрывной
Провод МКЭШ
Провод ПАЛ, АС
Провод прогревочный
Провод с поливинилхлоридной изоляцией АПВ,ПВ, ППВ
Провод самонесущий изолированный СИП
Провод телефонный, витая пара ТРП, ТРВ, П-274м
Провод установочный плоский ПУНП, ПУГНП
Провод шланговый ПВС, ПРС, ШВВП, ППВ
Эмальпровод ПЭТВ-1, ПЭТВ-2, ПСДКТ, ПЭТ-155
Катушки к контакторам, пускателям и магнитам
Клеммы, колодки
Кнопка, пост кнопочный
Командоаппарат, контроллер
Контакты для контакторов и пускателей
Лампа
Лифтовое оборудование
Метизы, крепеж
Переключатели
Пускатель электромагнитный
Разрядник
Разъем кабельный
Реле и датчики
Рубильники, разъединители
Рудничное
Светильник
Счетчик электроэнергии
Теплые полы
Токоприемники
Тормоз колодочный
Трансформатор тока
Датчик тока ДТ-0,66
Трансформатор тока Т 0,66
Трансформатор тока ТЛ-10-I У3
Трансформатор тока ТЛК-10
Трансформатор тока ТЛМ-10
Трансформатор тока ТЛШ-10 У3
Трансформатор тока ТЛШ-10-1 У3
Трансформатор тока ТЛШ-10-5 У3
Трансформатор тока ТНШ 0,66 У3
Трансформатор тока ТНШЛ 0,66 У2
Трансформатор тока ТОЛ-10 УХЛ2.1
Трансформатор тока ТОЛ-10-I-1 (-2) У2
Трансформатор тока ТОЛ-10-I-3 (-4) У2
Трансформатор тока ТОЛ-10-I-5 (-6) У2
Трансформатор тока ТОЛ-10-I-7 (-8) У2, 3-х обмот.
Трансформатор тока ТОЛ-35-III-II УХЛ1
Трансформатор тока ТОЛК-10 05.1
Трансформатор тока ТОЛК-6 05.1
Трансформатор тока ТОП 0,66 У3
Трансформатор тока ТПЛ-10-М У2
Трансформатор тока ТПЛ-20 УХЛ2
Трансформатор тока ТПЛ-35 УХЛ2
Трансформатор тока ТПЛК-10 У3
Трансформатор тока ТПОЛ-10 У3
Трансформатор тока ТПОЛ-10-1 У3
Трансформатор тока ТПОЛ-10-3 У3
Трансформатор тока ТФЗМ
Трансформатор тока ТШЛ 0,66 У3
Трансформатор тока ТШЛ-10 УТ3
Трансформатор тока ТШЛ-20-I УХЛ2
Трансформатор тока ТШЛП-10 УТ3
Трансформатор тока ТШП 0,66 У3
Трансформатор тока нулевой последовательности
Трансформатор ТСЗИ
Трансформатор ТСМ
Трансформатор, стабилизатор
Автотрансформатор АОСН
Лабораторный трансформатор
Силовой трансформатор
Стабилизатор
Трансформатор напряжения
Трансформатор ОСМ
Трансформатор ОСО
Трансформаторная подстанция
Троллеедержатель
Труба гофрированная
Тумблер
Щитовая продукция
Ящик с понижающим трансформатором
Электродвигатели
Преобразователи частоты
Устройства плавного пуска
Дополнительное оборудование
Пульты управления
Аксессуары
Опции
Электромагнит
Ящик с рубильником
Металлообработка
Раздел не найден