Трубка (НИЮП 757528.018; НИЮП 757528.019 )
--
Изоляторы
--Трубка (НИЮП 757528.018; НИЮП 757528.019 )Арматура светосигнальнаяВыключатель автоматическийВыключатель конечный (путевой)Выключатель пакетныйГидротолкательЗвонкиИзолентаИзоляторыИнструментКабель, провод, тараКатушки к контакторам, пускателям и магнитамКлеммы, колодкиКнопка, пост кнопочныйКомандоаппарат, контроллерКонтакторКонтакты для контакторов и пускателейЛампаЛифтовое оборудованиеМетизы, крепежПереключателиПрочееПускатель электромагнитныйРазрядникРазъем кабельныйРеле и датчикиРубильники, разъединителиРудничноеСветильникСтроительные услугиСчетчик электроэнергииТеплые полыТокоприемникиТормоз колодочныйТрансформатор токаТрансформатор, стабилизаторТрансформаторная подстанцияТроллеедержательТруба гофрированнаяТумблерУдлинитель, тройник, вилкаУстановочныеШильдикиЩетки для электродвигателейЩеткодержатели к электродвигателямЩитовая продукцияАксессуарыПульты управленияДополнительное оборудованиеУстройства плавного пускаОпцииПреобразователи частотыЭлектродвигателиЭлектромагнитЭлектронагревательЭлементы питанияЯщик с рубильникомМеталлообработкаПеремотка двигателей
1 руб./шт
Много
Нашли дешевле?
-
+
В корзинуВ корзине
Цена действительна только для интернет-магазина и может отличаться от цен в розничных магазинах
Описание
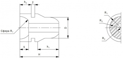
Изоляторы керамические электротехнические термостойкие ТУ 3493-001-72115708-2004
Материал керамический электротехнический группа 500 ГОСТ 20419-83
|
Наименование изделия |
Обозначение чертежа изолятора |
Размеры, мм |
Масса, кг |
|||||||
|
Н |
h1 |
h2 |
D |
Сфера R1 |
R1 |
R2 |
R3 |
|||
|
Трубка |
НИЮП.757528.018 |
22 |
12 |
6,5 |
12 |
6,5 |
8 |
6,5 |
2,5 |
0,003 |
|
Трубка |
НИЮП.757528.019 |
29 |
10,5 |
9,5 |
15,7 |
8,5 |
9,8 |
8,5 |
4,3 |
0,0055 |
Отзывы
Задать вопрос
Вы можете задать любой интересующий вас вопрос по товару или работе магазина.
Наши квалифицированные специалисты обязательно вам помогут.
Наши квалифицированные специалисты обязательно вам помогут.
Задать вопрос
Дополнительно
Дополнительная вкладка, для размещения информации о магазине, доставке или любого другого важного контента. Поможет вам ответить на интересующие покупателя вопросы и развеять его сомнения в покупке. Используйте её по своему усмотрению.
Вы можете убрать её или вернуть обратно, изменив одну галочку в настройках компонента. Очень удобно.
- Рекомендуем
-
Арматура светосигнальная
-
Выключатель автоматический
- Выключатель автоматический серии Schneider
- Выключатель автоматический серии А
- Выключатель автоматический серии АВ2М
- Выключатель автоматический серии АЕ
- Выключатель автоматический серии АП
-
Выключатель автоматический серии ВА
- Выключатель автоматический ВА 47-29 2 полюса
- Выключатель автоматический ВА 47-29 3 полюса
- Выключатель автоматический ВА 47-29 ПЭТ
- Выключатель автоматический ВА 04-36
- Выключатель автоматический ВА 21-29
- Выключатель автоматический ВА 50-41
- Выключатель автоматический ВА 50-43
- Выключатель автоматический ВА 51-25, ВА 51Г-25
- Выключатель автоматический ВА 51-35, ВА 52-35
- Выключатель автоматический ВА 51-39, ВА 52-39
- Выключатель автоматический ВА 52-37, ВА 52-38
- Выключатель автоматический ВА 57-31
- Выключатель автоматический ВА 57-35, ВА 57ф-35
- Выключатель автоматический ВА 57-39
- Выключатель автоматический серии ДЭК
- Выключатель автоматический серии Э (электрон)
- Выключатель автоматический серии АВМ
-
Выключатель конечный (путевой)
-
Выключатель пакетный
-
Гидротолкатель
-
Звонки
-
Изолента
-
Изоляторы
- Изоляторы армированные фарфоровые
-
Изоляторы неармированные фарфоровые
- Покрышки для высоковольтных вводов
- Покрышки для выключателей воздушных
- Изоляторы для выключателей и разных установок
- Изоляторы и покрышки для конденсаторов
- Изоляторы проходные для трансформаторных вводов
- Изоляторы проходные подстанционные
- Изоляторы для концевых кабельных муфт
- Изоляторы для силовых трансформаторов
- Изоляторы для электрофильтров
- Изоляторы для электротранспорта
- Изоляторы для пусковых сопротивлений электровозов
- Изоляторы для комплектных распределительных устройств
- Изоляторы для турбогенераторов
- Колодки для печей серии ПЭТ
- Изоляторы для разных установок
- Изоляторы для радио и связи
- Трубки для предохранителей
- Изоляторы для электролизера
- Изоляторы и покрышки для конденсаторов
- Изоляторы керамические электротехнические термостойкие
- Низковольтные изоляторы
-
Инструмент
-
Кабель, провод, тара
- Витая пара (Кабель компьютерный)
- Кабель бронированный АВБбШв, ВБбШв, КВБбШв
- Кабель водопогружной
- Кабель гибкий экранированный КГВЭВ, КГВЭВнг
- Кабель городской телефонной связи ТППэп
- Кабель контрольный КВВГ, КВВГнг, КВВБГ,КВВГзнг
- Кабель радиочастотный РК
- Кабель сварочный КОГ1, ПУН
- Кабель сигнально-блокировочный СБВГ
- Кабель силовой ААШв
- Кабель силовой гибкий, негорючий КПГСН
- Кабель силовой с пластмассовой изоляцией ВВГ, АВВГ
- Кабель силовой с поясной изоляцией NYM
- Кабель силовой с резиновой изоляцией ВРГ
- Кабель силовой с резиновой изоляцией КГ, Кгхл
- Кабель силовой шланговый, гибкий РПШ
- Кабель управления КУПЭВ
- Провод автомобильный
- Провод АППВ
- Провод взрывной
- Провод МКЭШ
- Провод ПАЛ, АС
- Провод прогревочный
- Провод с поливинилхлоридной изоляцией АПВ,ПВ, ППВ
- Провод самонесущий изолированный СИП
- Провод телефонный, витая пара ТРП, ТРВ, П-274м
- Провод установочный плоский ПУНП, ПУГНП
- Провод шланговый ПВС, ПРС, ШВВП, ППВ
- Тара
- Эмальпровод ПЭТВ-1, ПЭТВ-2, ПСДКТ, ПЭТ-155
-
Катушки к контакторам, пускателям и магнитам
-
Клеммы, колодки
-
Кнопка, пост кнопочный
-
Командоаппарат, контроллер
-
Контактор
-
Контакты для контакторов и пускателей
-
Лампа
- Датчик движения, индикатор
- Лампа галогенная HL, HS, HR, JSDR, JCD
- Лампа кварцево-галогенная
- Лампа люминесцентная ЛБ, ЛД, TLD
- Лампа металлогалогенная
- Лампа накаливания Б 220, SA, РН
- Лампа накаливания декоративная SB, SC, SR
- Лампа накаливания местного освещения МО
- Лампа ртутная ДРЛ
- Лампа энергосберегающая Ecola
- Лампа энергосберегающая KK, CE
- Стартер, дроссель, трансформ.
-
Лифтовое оборудование
-
Метизы, крепеж
-
Переключатели
- Прочее
-
Пускатель электромагнитный
-
Разрядник
-
Разъем кабельный
-
Реле и датчики
-
Рубильники, разъединители
-
Рудничное
-
Светильник
- Люстры, бра, торшеры, настольные лампы
- Ночник, часы
- Плафон, патрон-основание
- Прожектор
- Светильник Viromax
- Светильник VITO. LUNA. LINE
- Светильник акцентного освещения
- Светильник ВЗГ
- Светильник встраиваемый потолочный
- Светильник люминесцентный ЛПО,ЛСП
- Светильник мебельный
- Светильник накладной потолочный
- Светильник НББ, НСП, ПСХ, НПП
- Светильник наружного освещения РКУ (консольный)
- Фонарь
- Строительные услуги
-
Счетчик электроэнергии
-
Теплые полы
-
Токоприемники
-
Тормоз колодочный
-
Трансформатор тока
- Датчик тока ДТ-0,66
- Трансформатор тока Т 0,66
- Трансформатор тока ТЛ-10-I У3
- Трансформатор тока ТЛК-10
- Трансформатор тока ТЛМ-10
- Трансформатор тока ТЛШ-10 У3
- Трансформатор тока ТЛШ-10-1 У3
- Трансформатор тока ТЛШ-10-5 У3
- Трансформатор тока ТНШ 0,66 У3
- Трансформатор тока ТНШЛ 0,66 У2
- Трансформатор тока ТОЛ-10 УХЛ2.1
- Трансформатор тока ТОЛ-10-I-1 (-2) У2
- Трансформатор тока ТОЛ-10-I-3 (-4) У2
- Трансформатор тока ТОЛ-10-I-5 (-6) У2
- Трансформатор тока ТОЛ-10-I-7 (-8) У2, 3-х обмот.
- Трансформатор тока ТОЛ-35-III-II УХЛ1
- Трансформатор тока ТОЛК-10 05.1
- Трансформатор тока ТОЛК-6 05.1
- Трансформатор тока ТОП 0,66 У3
- Трансформатор тока ТПЛ-10-М У2
- Трансформатор тока ТПЛ-20 УХЛ2
- Трансформатор тока ТПЛ-35 УХЛ2
- Трансформатор тока ТПЛК-10 У3
- Трансформатор тока ТПОЛ-10 У3
- Трансформатор тока ТПОЛ-10-1 У3
- Трансформатор тока ТПОЛ-10-3 У3
- Трансформатор тока ТФЗМ
- Трансформатор тока ТШЛ 0,66 У3
- Трансформатор тока ТШЛ-10 УТ3
- Трансформатор тока ТШЛ-20-I УХЛ2
- Трансформатор тока ТШЛП-10 УТ3
- Трансформатор тока ТШП 0,66 У3
- Трансформатор тока нулевой последовательности
- Трансформатор ТСЗИ
- Трансформатор ТСМ
-
Трансформатор, стабилизатор
- Автотрансформатор АОСН
- Лабораторный трансформатор
- Силовой трансформатор
-
Стабилизатор
- Трансформатор напряжения
-
Трансформатор ОСМ
- Трансформатор понижающий ОСМ1 63 Вт
- Трансформатор понижающий ОСМ1 100 Вт
- Трансформатор понижающий ОСМ1 160 Вт
- Трансформатор понижающий ОСМ1 250 Вт
- Трансформатор понижающий ОСМ1 400 Вт
- Трансформатор понижающий ОСМ1 630 Вт
- Трансформатор понижающий ОСМ1 1000 Вт
- Трансформатор понижающий ОСМ1 1600 Вт
- Трансформатор понижающий ОСМ1 2500 Вт
- Трансформатор понижающий ОСМ1 4000 Вт
- Трансформатор понижающий ОСМ1 5000 Вт
- Трансформатор ОСО
-
Трансформаторная подстанция
-
Троллеедержатель
-
Труба гофрированная
-
Тумблер
- Удлинитель, тройник, вилка
- Установочные
- Шильдики
- Щетки для электродвигателей
- Щеткодержатели к электродвигателям
-
Щитовая продукция
- Вводно-распределительное устройство ВРУ1
- Пункт распределительный ПР11
- Пункт распределительный ПР8000
- Шильдики, наклейки
- Шины и комплектующие к щитам
- Шкаф распределительный ШР11, ШРЭ
- Шкаф распределительный ШРС-1
- Щит аварийного переключения на резерв
- Щит металлический (корпус)
- Ящик с понижающим трансформатором
- Ящик управления
-
Электродвигатели
-
Преобразователи частоты
-
Устройства плавного пуска
-
Дополнительное оборудование
-
Пульты управления
-
Аксессуары
-
Опции
-
Электромагнит
- Электронагреватель
- Элементы питания
-
Ящик с рубильником
-
Металлообработка
- Перемотка двигателей
Будьте всегда в курсе!
Узнавайте о скидках и акциях первым
Новости
Все новости
24 июня 2020
Выкуп холодильного оборудования
Раздел не найден.









































































